Tom zieht um
Re: Tom zieht um
Das Haus ist etwas vermüllt,hat aber Potential!
- Dateianhänge
-
- IMG_6102.jpg (175.65 KiB) 1362 mal betrachtet
-
- IMG_6281,1.jpg (48.48 KiB) 1362 mal betrachtet
-
- IMG_6104.jpg (183.69 KiB) 1362 mal betrachtet
Optimismus ist,bei Gewitter in einer Kupferrüstung auf dem höchsten Berg zu stehen und "Scheiß Götter!" zu rufen...
Re: Tom zieht um
Natürlich war kein Neubau zu erwarten...
Und die Wohn-Mängel der Vorbesitzer haben auch das ihrige bewirkt.
So ist in einer Raumecke unter muffigen Teppichböden die Dielung morsch. Es wurde schon vor Jahrzehnten provisorisch mit Blech und Pappe geflickt,vermutlich,um einem Möbelstück Halt zu geben. Dadurch wurde die Stelle an der Außenecke nicht besser.
Ein beherzter Griff durch die Dielung erbrachte alten Pilzbefall (zum Glück schon trocken) und ein noch bewohntes Ameisennest.
Aber zum Glück ist nur ein Raum betroffen.
@Tom: Ich hab nochmal von außen geschaut: Das ist die Wand, wo draußen die Erde bis über die Feuchtigkeitssperre reicht. Zudem fehlt die hintere Abdeckung der Dachrinne. Dadurch wurde das Feuchtbiotop noch beschleunigt. 7 Jahre nicht-heizen bzw. nicht-lüften habens auch nicht besser gemacht.
Und die Wohn-Mängel der Vorbesitzer haben auch das ihrige bewirkt.
So ist in einer Raumecke unter muffigen Teppichböden die Dielung morsch. Es wurde schon vor Jahrzehnten provisorisch mit Blech und Pappe geflickt,vermutlich,um einem Möbelstück Halt zu geben. Dadurch wurde die Stelle an der Außenecke nicht besser.
Ein beherzter Griff durch die Dielung erbrachte alten Pilzbefall (zum Glück schon trocken) und ein noch bewohntes Ameisennest.
Aber zum Glück ist nur ein Raum betroffen.
@Tom: Ich hab nochmal von außen geschaut: Das ist die Wand, wo draußen die Erde bis über die Feuchtigkeitssperre reicht. Zudem fehlt die hintere Abdeckung der Dachrinne. Dadurch wurde das Feuchtbiotop noch beschleunigt. 7 Jahre nicht-heizen bzw. nicht-lüften habens auch nicht besser gemacht.
- Dateianhänge
-
- IMG_6317.jpg (129.42 KiB) 1358 mal betrachtet
-
- IMG_6310.jpg (163.85 KiB) 1358 mal betrachtet
-
- IMG_6314.jpg (197.74 KiB) 1358 mal betrachtet
Optimismus ist,bei Gewitter in einer Kupferrüstung auf dem höchsten Berg zu stehen und "Scheiß Götter!" zu rufen...
Re: Tom zieht um
Das letzte Bild zeigt das ehemalige Schlafzimmer, damals ungeheizt. Die Betten standen direkt an der Wand,daher die Stockflecken.
Optimismus ist,bei Gewitter in einer Kupferrüstung auf dem höchsten Berg zu stehen und "Scheiß Götter!" zu rufen...
- osterheidi
- Förderer 2019

- Beiträge: 1595
- Registriert: Mo 21. Okt 2013, 20:32
- Familienstand: rothaarig
- Wohnort: endmoräne, obendrauf, klimazone 6b, höhe 600
Re: Tom zieht um
das sieht auf den ersten blick schlimm aus aber wenn das umfeld stimmt und man es für sich macht dann kann es eine schöne herausforderung werden.
wenn es keinen keller gibt unter dem verfaulten zeug könnte man es ausgraben und einen bodenaufbau machen. das haben wir gemacht, zimmer für zimmer, und es hat sich gelohnt
wenn es keinen keller gibt unter dem verfaulten zeug könnte man es ausgraben und einen bodenaufbau machen. das haben wir gemacht, zimmer für zimmer, und es hat sich gelohnt
- kraut_ruebe
- Förderer 2019

- Beiträge: 10832
- Registriert: Di 3. Aug 2010, 09:48
- Wohnort: Klimazone 7b - pannonisches Klima
Re: Tom zieht um
*brot und salz rüberreicht*
das wird bestimmt mal sehr, sehr nett werden
das wird bestimmt mal sehr, sehr nett werden
There's a crack in everything. That's how the light gets in.
-
christine-josefine
- Beiträge: 2104
- Registriert: So 2. Sep 2012, 10:14
- Wohnort: 06925 Annaburg
Re: Tom zieht um
@Tom: die Farbe vom Schlafzimmer passt ja schon halbwegs
sieht aber doch so aus, als koenntest Du mit relativ wenig Aufwand 1 oder 2 Zimmer bewohnbar machen
und auf den Bildern sieht das mit Muell nicht so schlimm aus
Glueckwunsch
und ich drueck die Daumen, dass die buerokratischen Huerden schnell ueberwunden werden
sieht aber doch so aus, als koenntest Du mit relativ wenig Aufwand 1 oder 2 Zimmer bewohnbar machen
und auf den Bildern sieht das mit Muell nicht so schlimm aus
Glueckwunsch
Viele Grüße, Christine mit J
Wait and see!
Wait and see!
-
mot437
- Beiträge: 5503
- Registriert: Mo 11. Feb 2013, 00:02
- Familienstand: verpartnert
- Wohnort: annaburg
Re: Tom zieht um
Bin angekomen total muede.
Ich geh glaub schlafen wen ich die tiere geschaut habe.
Bis spaeter
Ich geh glaub schlafen wen ich die tiere geschaut habe.
Bis spaeter
Sei gut cowboy
Re: Tom zieht um
Herzlichen Glückwunsch!
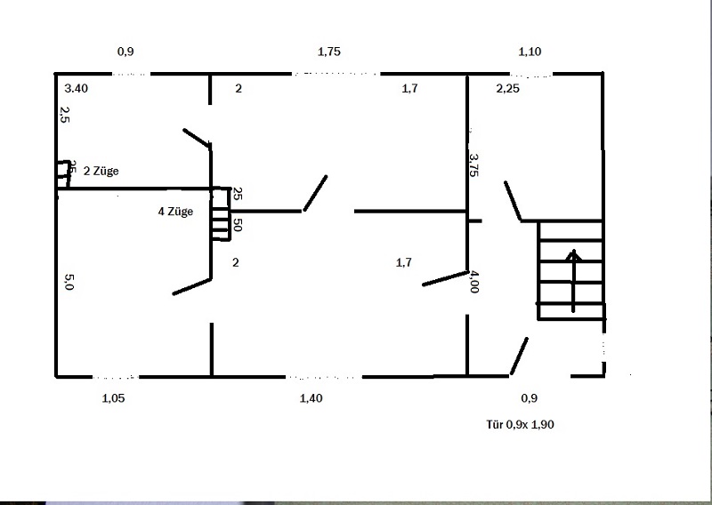
Ich habe schon schlimmer aussehende Häuser schön werden sehen, die Arbeit lohnt sich bestimmt. Der Grundriss sieht praktisch aus und die ganzen Züge sind ein Traum!
Ich habe schon schlimmer aussehende Häuser schön werden sehen, die Arbeit lohnt sich bestimmt. Der Grundriss sieht praktisch aus und die ganzen Züge sind ein Traum!
-
Benutzer 2354 gelöscht
Re: Tom zieht um
ich hab auch schon weitaus schlimmere Häuser gesehen 
Re: Tom zieht um
Toi, toi, toi Tom,
ich wünsche dir guten Mut und viele helfende Hände...
grüße
Marabu
ich wünsche dir guten Mut und viele helfende Hände...
grüße
Marabu
aller doucement, n'empêche pas d'avancer - langsam gehen, hindert nicht daran voran zu kommen
